产品中心
PRODUCT CENTER隔膜泵实物图
PUMP PHYSICAL

图1:空气经由气阀压缩进入空气室B之背面,由膜片挤压液室。此种以空气驱动的方式可免除一般活塞驱动之机械应力,从而显著地延长膜片的寿命。在压缩空气将空气室B推离中心体时,另一端之空气室A同时被连结之中心轴拉向中心体,此时,空气室A背面之空气由出口排放到泵体外。如此使B室形成真空状态,因而能靠外面大气压力之作用将流体由入口支管将阀球推离阀座使流体能自由地进入B室直至填满。
图2:当受空气挤压之空气室B达到其位移极限时,空气 阀会将空气引导至空气室A之背面,同样形成挤压力而使其推离中心体,同时将连结的空气室B拉回中心体,此时空气室A之驱动所产生的液压将入口阀球推回阀座,同时将出口阀球推离阀座使流体能被挤压而从出口排出泵体 外。空气室B被拉回中心体这个动作使A室形成真空状态,因而能靠大气压力作用将流体由入口支管将阀球推离阀座而进入A室直至填满。
当膜片之运动完成时,空气阀再次引导空气至空气室B之背面,同时空气室A做空气排放动作。在泵回复到 原启动状态时,泵内的两个膜片各自完成了一个空气排放或流体排放的过程。这构成了一个循环泵送过程。依使用状况,泵通过数次完全的循环泵送动作而使泵达到 自吸状态。


一、QBY气动隔膜泵主要用途:
1、隔膜泵吸花生酱、泡菜、土豆泥、小红肠、果酱苹果浆、巧克力等。
2、隔膜泵吸油漆、树胶、颜料。
3、粘合剂和胶水、全部种类可用泵吸取。
4、各种瓦、瓷、砖器及陶器釉浆。
5、油井钻好后,用泵吸沉积物及灌浆。
6、泵吸各种乳剂和填料。 .
7、隔膜泵吸各种污水。
8、用泵为油轮,驳船清仓吸取仓内污水。
9、啤酒花及发酵粉稀浆、糖浆、糖密。
10、隔膜泵吸矿井、坑道、隧道、选矿、矿渣中的积水。泵吸水泥灌浆及灰浆。
11、各种橡胶浆。
12、各种磨料、腐蚀剂、石油及泥浆、清洗油垢及一般容器。
13、各种剧毒、易燃、易挥发液体。
14、各种强酸、强碱、强腐蚀液体。
15、各种高温液体Z高可耐150℃。
16、作为各种固液分离设备的前G送压装置。
二、QBY气动隔膜泵产品简介:
本单位生产的QBY系列气动隔膜泵是一种新型输送机械,采用压缩空气为动力源,对于各种腐蚀性液体,带颗粒的液体,高粘度、易挥发、易燃、剧毒的液体,均能予以抽光吸尽。其性能参数与联邦德G的WLLDENPVMPS、美G的MARlOWPUMPS相近。
三、QBY气动隔膜泵技术参数:
流量:0-30m3/h
扬程:0-50m
口径:10-100mm
温度:-15-+120℃
压力:0.1-0.7MPa
自吸高度:5-7m
气动隔膜泵应用实例
1、油罐清底,尽管有垫水法抽油,也不能保证将油抽净,表面总要剩下至少3-5mm厚的油层。以5000m3油罐为例,每次大约损耗1-1.5t油。对于有低位脱水槽的油罐,虽可将剩下的油和水排放到含油污水处理场回收,但是挥发的油品在输送过程中大都挥发殆尽,且污染环境。
2、临时倒罐、装卸车和油品采样,炼油生产调度过程中,油品经常要临时倒罐、装车和对油罐中油品采样检验。或者为了不至于污染正常的管线时,用隔膜泵接临时管线可以迅速方便地完成此项任务。
3、油轮仓底油回收一条3000t的油轮用固定螺杆泵卸油,仓库隔板之间至少要剩余50t油,若用排量较大的隔腆泵,可以收到很好的效果。
4、瓦斯、硫化氢残液的输送炼油厂火炬底部的瓦斯残液和含硫水,需要集中排放和处理,否则会形成酸性腐蚀设备。
5、陶瓷行业:用该泵抽吸釉浆,并可用于向压滤机送压。
6、下水井、暗沟排除渍水、污油在下水井管道,阀门及暗沟检修时,需要排除渍水和污油。用潜水泵虽可抽尽溃水,但往往这些地方都远离电源,很不方便。使用隔膜泵则可采用压?气瓶作动力,回收污油,排泄溃水。
7、污水处理场和污泥池的清扫污水处理场的污泥池,常常聚积大量的油泥和淤沙,需要清扫,采用隔膜泵抽吸灵活、方便省工、省力、省时。
8、液化气泵房和化验室排渍水,由于这些地方地势较低,又是一G防火区,采用隔膜泵排渍水比较安全,比用水抽子、汽抽子效率高出好多倍。
9.此外,此泵应用于环烷酸精制转料,装车亚硫酸纳液体输送,苯类原料装卸车等方面都有它自己的优势。
| 型号 | Z大流量 | Z大流量 | 扬程 | 出口压力 | 吸程 | 允许能过颗粒直径 | 供气压力 | 供气消耗量 | 材料 | |||||
| (m3/h) | lpm | (m) | (kgf/cm2) | (m) | (mm) | (kbf/cm2) | (m3/min) | 铝合金 | 不锈钢 | 铸铁 | 增强聚丙烯 | PVDF(聚偏氟乙烯) | 流体衬氟 | |
| QBY3-10 | 1.1 | 18.9 | 70 | 2.5-3 | 7 | 10 | 7 | 0.3 | ★ | ★ | ★ | ★ | ★ | / |
| QBY3-15 | 1.1 | 18.9 | 70 | 2.5-3 | 7 | 15 | 7 | 0.3 | ★ | ★ | ★ | ★ | ★ | / |
| QBY3-20 | 3.4 | 57 | 70 | 4.5-7.6 | 7 | 20 | 7 | 0.6 | ★ | ★ | ★ | ★ | ★ | / |
| QBY3-25 | 3.4 | 57 | 70 | 4.5-7.6 | 7 | 25 | 7 | 0.6 | ★ | ★ | ★ | ★ | ★ | / |
| QBY3-25A | 9 | 151 | 84 | 5.4 | 8.4 | 25 | 8.4 | 0.9 | ★ | ★ | ★ | ★ | ★ | ★ |
| QBY3-32 | 9 | 151 | 84 | 5.4 | 8.4 | 32 | 8.4 | 0.9 | ★ | ★ | ★ | ★ | ★ | ★ |
| QBY3-40 | 9 | 151 | 84 | 5.4 | 8.4 | 40 | 8.4 | 1.5 | ★ | ★ | ★ | ★ | ★ | ★ |
| QBY3-50 | 22 | 378.5 | 84 | 5.48 | 8.4 | 50 | 8.4 | 1.5 | ★ | ★ | ★ | ★ | ★ | ★ |
| QBY3-65 | 22 | 378.5 | 84 | 5.48 | 8.4 | 65 | 8.4 | 1.5 | ★ | ★ | ★ | ★ | ★ | ★ |
| QBY3-80 | 34 | 568 | 84 | 5.48 | 8.4 | 80 | 8.4 | 2 | ★ | ★ | ★ | ★ | / | / |
| QBY3-100 | 34 | 568 | 84 | 5.48 | 8.4 | 100 | 8.4 | 2 | / | ★ | ★ | ★ | / | / |
| QBY3-125 | 62 | 1041 | 84 | 2.4-7.6 | 8.4 | 125 | 8.4 | 5 | / | ★ | ★ | ★ | / | / |
| QBY3-150 | 62 | 1041 | 84 | 24-7.6 | 8.4 | 150 | 8.4 | 5 | / | ★ | ★ | ★ | / | / |


气动隔膜泵安装使用注意事项
1.在易燃易爆场所工作时,隔膜泵必须完全接地以消除静电。
2.泵必须安装在牢固的底座上,不可悬空,不可不固定。
3.进料口不要安装阀门,如必须安装,使用时请务必先完全打开阀门,再启动泵,关闭时先关闭气阀,等隔膜泵停止工作后再关闭阀门。(阀门关闭时启动泵会产生高强度负压,拉裂膜片。现场使用时超过50%的膜片是因为进料口阀门关闭而损坏。)
4.安装时,进、出料口管路管径不要小于泵进、出料口口径,如输送高粘度流体时,管路管径最好大于泵口径,以利于流通。(进料口管路管径变小会导致负压损坏膜片,出料口管路管径变小会降低流量。)
5.管路与接头必须保证密封,否则会降低隔膜泵的自吸能力。
6.进料口管路越短吸力越大,尽量减少弯头数量。吸料口建议做斜口,避免触底吸真空,造成膜片损坏。
7.物料中的颗粒大小必须要小于该泵所能通过的最大颗粒直径,如果物料中有过大颗粒,请在泵送前预先过滤。(过大颗粒会堵塞泵腔,使泵无法正常工作。)
8.泵启动时请给与2公斤以上压力,最佳工作状态保持在5-7公斤气压,关闭时请迅速关闭气阀,不要缓慢关闭。(过于缓慢开启或关闭气阀会导致气阀室内大小滑块在中间位置停止,无法换位。)
9.输送粘稠、易凝结物料时,使用完需及时清洗。泵长时间不用时请清洗后储存于干燥、干净的场所。
| 隔膜品种 | 丁睛橡胶 | 氯丁橡胶 | 氟橡胶 | 聚四氟乙烯 |
| 介质种类 | ||||
| 发烟硝酸 | × | × | △ | △ |
| 浓硝酸 | × | × | △ | △ |
| 浓硫酸 | × | × | ○ | △ |
| 浓盐酸 | × | △ | △ | △ |
| 浓磷酸 | × | △ | △ | △ |
| 浓醋酸 | × | × | × | △ |
| 浓氢氧化钠 | ○ | ○ | △ | △ |
| 无水氨 | △ | △ | △ | △ |
| 稀硝酸 | × | × | ○ | △ |
| 稀硫酸 | △ | △ | △ | △ |
| 稀盐酸 | × | ○ | △ | △ |
| 稀磷酸 | × | × | △ | △ |
| 稀氢氧化钠 | ○ | ○ | △ | △ |
| 氨水 | △ | △ | × | |
| 苯 | × | × | ○ | ○ |
| 汽油 | ○ | ○ | ○ | ○ |
| 石油 | △ | × | ○ | ○ |
| 四氯化碳 | ○ | ○ | ○ | |
| 二硫化碳 | ○ | × | ○ | |
| 乙醇 | ○ | ○ | ○ | ○ |
| 丙铜 | × | △ | × | ○ |
| 甲酚 | × | △ | △ | ○ |
| 乙醛 | × | × | △ | ○ |
| 乙苯 | × | × | △ | ○ |
| 丙烯晴 | △ | △ | × | ○ |
| 丁醇 | ○ | ○ | ○ | ○ |
| 丁二烯 | ○ | × | △ | ○ |
| 苯乙烯 | × | × | △ | ○ |
| 醋烯乙酯 | × | × | × | ○ |
| 醚 | × | × | × |
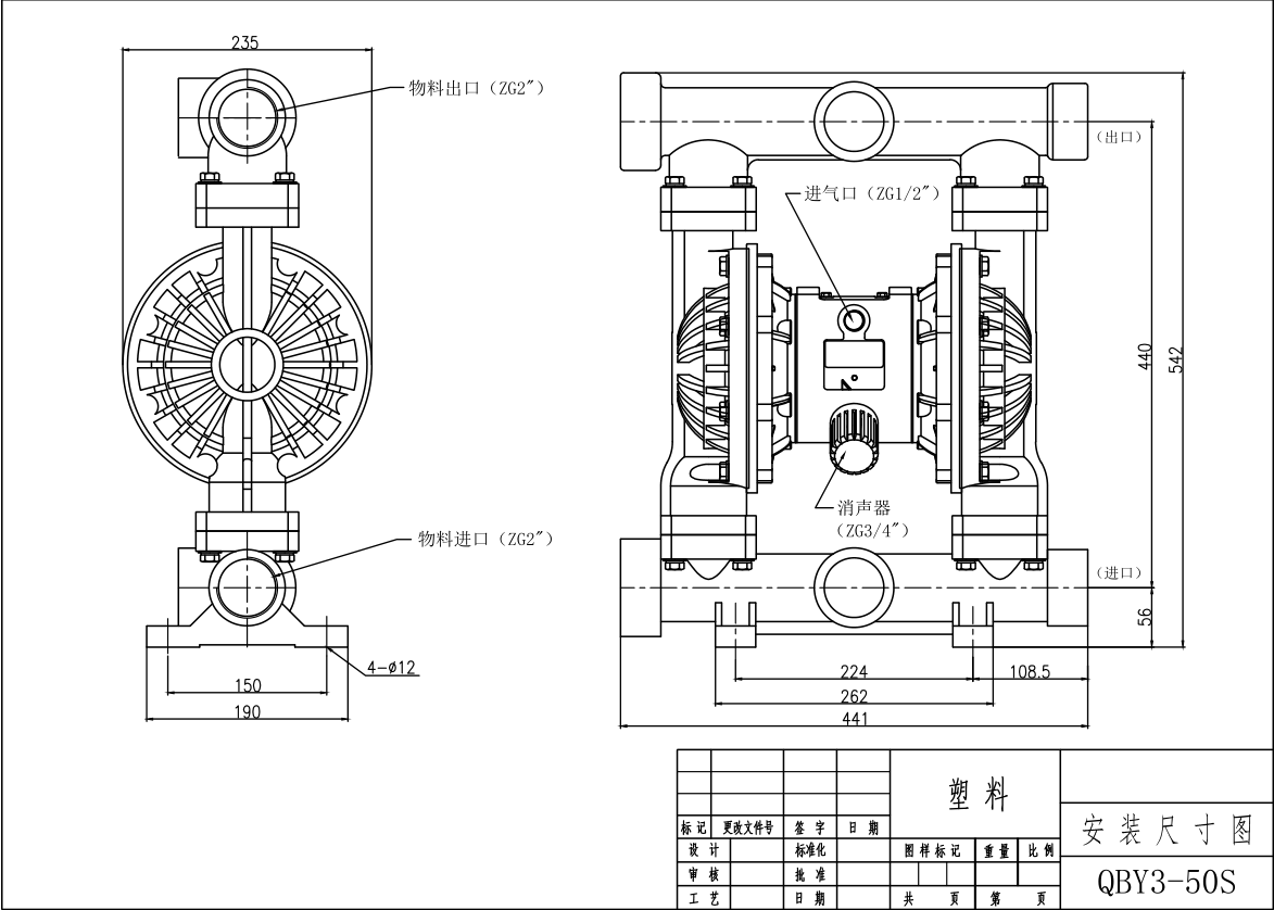
QBY3-50塑料气动隔膜泵具体配置是根据用户实际需求来确定的,所以同一型号的气动隔膜泵存在配置不同的情况。同一型号的气动隔膜泵因配置不同,价格上也有所不同。
如需了解QBY3-50塑料气动隔膜泵价格,请拨打上海沈泉客服电话:400-6656-887,在确定气动隔膜泵型号和具体配置后,沈泉会为您提供相应的隔膜泵产品报价明细。
东西好用 快递给力 24小时之内就到货了 没有耽误工人做工
不错,价格合理,下次还会考虑购买
还没用,应该还好吧!店J比较负责,下单了,来电话提醒接口!如果能提供接头就更好了!
设备很好用,店J给的配件很齐全,会推荐给同行。
客服回复及时,技术指点也很到位
材质挺好的,用着也比较方便
运行稳定,包装也很严实
隔膜泵包装完好,收到立马试用,声音小,性能好