产品中心
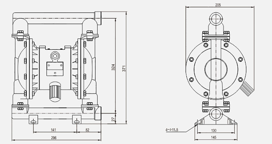
PRODUCT CENTER隔膜泵实物图
PUMP PHYSICAL

图1:空气经由气阀压缩进入空气室B之背面,由膜片挤压液室。此种以空气驱动的方式可免除一般活塞驱动之机械应力,从而显著地延长膜片的寿命。在压缩空气将空气室B推离中心体时,另一端之空气室A同时被连结之中心轴拉向中心体,此时,空气室A背面之空气由出口排放到泵体外。如此使B室形成真空状态,因而能靠外面大气压力之作用将流体由入口支管将阀球推离阀座使流体能自由地进入B室直至填满。
图2:当受空气挤压之空气室B达到其位移极限时,空气 阀会将空气引导至空气室A之背面,同样形成挤压力而使其推离中心体,同时将连结的空气室B拉回中心体,此时空气室A之驱动所产生的液压将入口阀球推回阀座,同时将出口阀球推离阀座使流体能被挤压而从出口排出泵体 外。空气室B被拉回中心体这个动作使A室形成真空状态,因而能靠大气压力作用将流体由入口支管将阀球推离阀座而进入A室直至填满。
当膜片之运动完成时,空气阀再次引导空气至空气室B之背面,同时空气室A做空气排放动作。在泵回复到 原启动状态时,泵内的两个膜片各自完成了一个空气排放或流体排放的过程。这构成了一个循环泵送过程。依使用状况,泵通过数次完全的循环泵送动作而使泵达到 自吸状态。


优势所在
1、QBK气动双隔膜泵具有简单,高可靠设计设计的空气转向阀;
2、换向阀为三向先导阀,能保证真正意义上的不“发粘”;
3、所有部件可在不打开液体腔的情况上进行更换;
4、铝质部件经阳G氧化处理并附环氧涂层;
5、换向阀无需润滑;
6、一种换向阀适合多种规格的泵;
7、气路畅通,从½“到3“泵的气路部分绝无障碍,保证换灵活;
8、与其它的双隔膜泵相比,活部件非常少;
9、不需灌引水,Z大自吸达5.48米,扬程达到84米,出口压力≥8.4bar;
10、通过性能好,允许通过Z大颗粒直径4.8毫米。抽送泥浆、杂质时,对泵磨损甚微;
11、扬程、流量可通过气阀开度实现无G调节;
12、无旋转部件,无轴封,隔膜将抽送的介质与泵的运动部件完全隔开,不会向外泄漏。且抽送有毒、易发挥或腐蚀性介质时,不会造成环境污染和危害人身安全;
13、不必用电、在易燃、易爆场所使用安全可靠;
14、使用方便、工作可靠、开停只需简单地打开和关闭气源阀门。即使无介质运行或突然停机也不会损坏。具有自我保护性能,一旦超负荷,泵会自动停机,当负荷恢复正常后,又能自动启动;
15、本泵无须用油润滑,即使空转,对泵也无任何影响;
16、结构简单、易损件少,安装、维修方便,泵输送的介质不会接触到配气阀,连杆等运动部件,不像其他泵因转子、活塞、齿轮、叶片等部件的磨损而使性能逐步下降;
17、可输送较粘的液体(粘度在1万厘泊以下),详细可咨询客服。
| Z大工作压力Max.working pressure | 120psi (0.84MPa,8.4bar) |
| Z大流量Max.flow rate | 100gpm(378.5lpm,22m3/h) |
| Z大虹吸高度Max.suction height | 干抽Dry tap 5.48m |
| 湿抽Wet extraction 5.48m | |
| Z大输送固体颗粒Max.permiffed grain | 4.8mm |
| 空气进口尺寸Air inlet size | 1/2in |
| 液体进出口尺寸Fluid inlet/outlet size | 1-1/2in |


气动隔膜泵安装使用注意事项
1.在易燃易爆场所工作时,泵必须完全接地以消除静电。
2.泵必须安装在牢固的底座上,不可悬空,不可不固定。
3.进料口不要安装阀门,如必须安装,使用时请务必先完全打开阀门,再启动泵,关闭时先关闭气阀,等泵停止工作后再关闭阀门。(阀门关闭时启动泵会产生高强度负压,拉裂膜片。现场使用时超过50%的膜片是因为进料口阀门关闭而损坏。)
4.安装时,进、出料口管路管径不要小于泵进、出料口口径,如输送高粘度流体时,管路管径最好大于泵口径,以利于流通。(进料口管路管径变小会导致负压损坏膜片,出料口管路管径变小会降低流量。)
5.管路与接头必须保证密封,否则会降低泵的自吸能力。
6.进料口管路越短吸力越大,尽量减少弯头数量。吸料口建议做斜口,避免触底吸真空,造成膜片损坏。
7.物料中的颗粒大小必须要小于该泵所能通过的最大颗粒直径,如果物料中有过大颗粒,请在泵送前预先过滤。(过大颗粒会堵塞泵腔,使泵无法正常工作。)
8.泵启动时请给与2公斤以上压力,最佳工作状态保持在5-7公斤气压,关闭时请迅速关闭气阀,不要缓慢关闭。(过于缓慢开启或关闭气阀会导致气阀室内大小滑块在中间位置停止,无法换位。)
9.输送粘稠、易凝结物料时,使用完需及时清洗。泵长时间不用时请清洗后储存于干燥、干净的场所。

气动隔膜泵QBK-32塑料泵具体配置是根据用户实际需求来确定的,所以同一型号的气动隔膜泵存在配置不同的情况。同一型号的气动隔膜泵因配置不同,价格上也有所不同。
如需了解气动隔膜泵QBK-32塑料泵价格,请拨打上海沈泉客服电话:400-6656-887,在确定气动隔膜泵型号和具体配置后,沈泉会为您提供相应的隔膜泵产品报价明细。
还行吧,才用了几天
来自[威海市]的用户
用着还不错,到货也挺快的
材质可以的,做工也还不错
挺好的,客服还给我讲解了隔膜泵的工作原理。
客服回复及时,技术指点也很到位
材质挺好的,用着也比较方便
东西还可以!超G好用!
使用起来方便,危险品车间用气动的没危险